工业机器人既有“手臂”,也有“手指”,甚至还有“腿”可以移动,那么工业机器人是否有“大脑”呢?PLC可能就是我们所谓的“大脑”。这个“大脑”是设计出来的?现在分享一份关于PLC控制系统及其软硬件系统设计的干货,关注公众号“三〇智工”,技能人才就业一步到位以及企业免费发布招聘岗位。
01、PLC控制系统设计步骤
系统设计的主要内容:
① 拟定控制系统设计的技术条件
② 选择电气传动形式和电动机、电磁阀等执行机构
③ 选定 PLC 的型号
④ 编制 PLC 的输入 / 输出分配表或绘制输入 / 输出端子接线图
⑤ 根据系统设计的要求编写软件规格说明书,然后再用相应的编程语言(常用梯形图)进行程序设计
⑥ 了解并遵循用户认知心理学,重视人机界面的设计,增强人与机器之间的友善关系
⑦ 设计操作台、电气柜及非标准电器元部件
⑧ 编写设计说明书和使用说明书,关注公众号“三〇智工”,技能人才就业一步到位以及企业免费发布招聘岗位。

02、PLC 硬件系统设计
(1) PLC 型号的选择
① 对输入 / 输出点的选择
② 对存储容量的选择
③ 对 I/O 响应时间的选择
④ 根据输出负载的特点选型
⑤ 对在线和离线编程的选择
⑥ 据是否联网通信选型
⑦ 对 PLC 结构形式的选择
(2)分配输入 / 输出点
① 确定 I/O 通道范围
②确定内部辅助继电器
③ 分配定时器 / 计数器
03、PLC 软件系统设计方法及步骤
(1)PLC 软件系统设计的方法
① 图解法编程
a. 梯形图法
b. 逻辑流程图法
c. 时序流程图法
d. 步进顺控法
② 经验法编程
③ 计算机辅助设计编程
(2)PLC 软件系统设计的步骤
① 对系统任务分块
② 编制控制系统的逻辑关系图
③ 绘制各种电路图
④ 编制 PLC 程序并进行模拟调试
⑤ 制作控制台与控制柜
⑥ 现场调试
⑦ 编写技术文件并现场试运行
控制单元输入端子接线
输入线尽可能远离高压线和动力线等干扰源
不能将输入设备连接到带“ . ”端子上
交流型PLC的内藏式直流电源输出可用于输入;直流型PLC的直流电源输出功率不够时,可使用外接电源
切勿将外接电源加到交流型PL 的内藏式直流电源的输出端子上
切勿将用于输入的电源并联在一起,更不可将这些电源并联到其他电源上
控制单元输出端子接线
输出线尽可能远离高压线和动力线等干扰源
不能将输出设备连接到带“ . ”端子上
各“ COM ”端均为独立的,故各输出端既可独立输出,又可采用公共并接输出。当各负载使用不同电压时,采用独立输出方式;而各个负载使用相同电压时,可采用公共输出方式
当多个负载连到同一电源上时,应使用型号为 AFP1803 的短路片将它们的“ COM ”端短接起来
若输出端接感性负载时,需根据负载的不同情况接入相应的保护电路。在交流感性负载两端并接RC串联电路;在直流感性负载两端并接二极管保护电路;在带低电流负载的输出端并接一个泄放电阻以避免漏电流的干扰。以上保护器件应安装在距离负载50cm以内,关注公众号“三〇智工”,技能人才就业一步到位以及企业免费发布招聘岗位。
在PLC内部输出电路中没有保险丝,为防止因负载短路而造成输出短路,应在外部输出电路中安装熔断器或设计紧急停车电路
实例:PLC在机床控制中的作用
工艺要求:
四工位组合机床由四个工作滑台,各带一个加工动力头,组成四个加工工位。除了四个加工工位外,还有夹具、上下料机械手和进料器四个辅助装置以及冷却和液压系统共四部分。工艺要求为有上料机械手自动上料,机床的四个加工动力刀头同时对一个零件进行加工,一次完成一个零件,通过下料机械手自动取走加工完的零件。要求具有全自动、半自动、手动三种工作方式。
下图是组合机床控制系统全自动工作循环和半自动工作循环式的状态流程图。图中S2是初始状态,驱动它的条件是各滑台、各辅助装置都处在原位,夹具为松开状态,料道有待加工零件且润滑系统工作正常,关注公众号“三〇智工”,技能人才就业一步到位以及企业免费发布招聘岗位。

组合机床全自动和半自动工作过程:
上料 按下启动按钮,上料机械手前进,将零件送到夹具上,夹具加紧零件。同时进料装置进料,之后上料机械手退回原位,放料装置退回原位
加工 四个工作滑台前进,四个加工动力头同时加工,洗端面、打中心孔。加工完成后,各工作滑台退回原位
下料 下料机械手向前抓住零件,夹具松开,下料机械手退回原位并取走加工完的零件。
这样就完成了一个工作循环。如果选择了预停,则每个循环完成后,机床自动停在原位,实现半自动工作方式;如果不选择预停,则机床自动开始下一个工作循环,实现全自动工作方式,关注公众号“三〇智工”,技能人才就业一步到位以及企业免费发布招聘岗位。
04、PLC的选型
四个工位组合机床电气控制系统有输入信号42个,输出信号27个,均为开关量。其中外部输入元件包括:17个检测元件、24个按钮开关、1个选择开关;外部输出元件包括:16个电磁阀、6个接触器、5个指示灯。
根据I/O信号的数量、类型以及控制要求,同时考虑到维护、改造和经济等诸多因素,决定选用FX2N -64MR主机和一个输出扩展单元FX-16EX,这样共有48个输入点,输出点就是主机的32点,满足控制要求。
I/O地址编号;将输入信号42个,输出信号27个按各自的功能类型分好,并与PLC的I/O端一一对应,编排好地址。列出外部I/O信号与PLCI/O端地址对照表,如表所示,关注公众号“三〇智工”,技能人才就业一步到位以及企业免费发布招聘岗位。

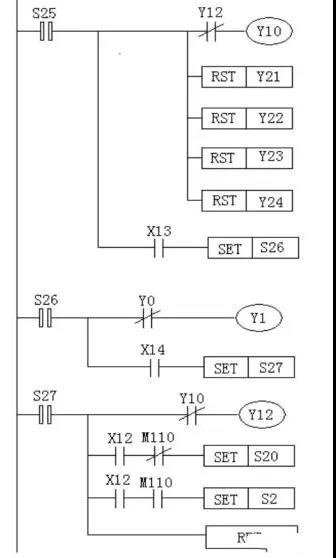
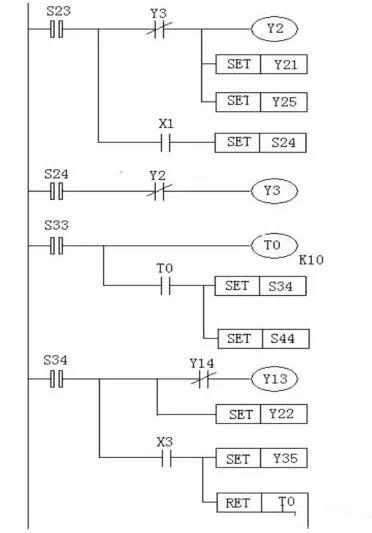
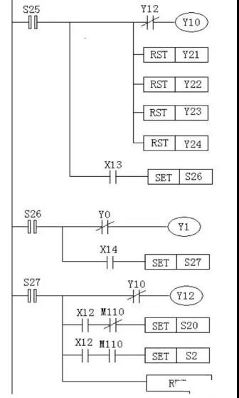
05、PLC梯形图程序
四工位组合机床的PLC控制系统梯形图包括初始化程序、手动调整程序和自动工作程序。图2是四工位组合机床在全自动与半自动工作方式时的梯形图程序,它采用了STL步进指令编写,程序简捷、清楚。图3四工位组合机床初始化程序梯形图,关注公众号“三〇智工”,技能人才就业一步到位以及企业免费发布招聘岗位。



